
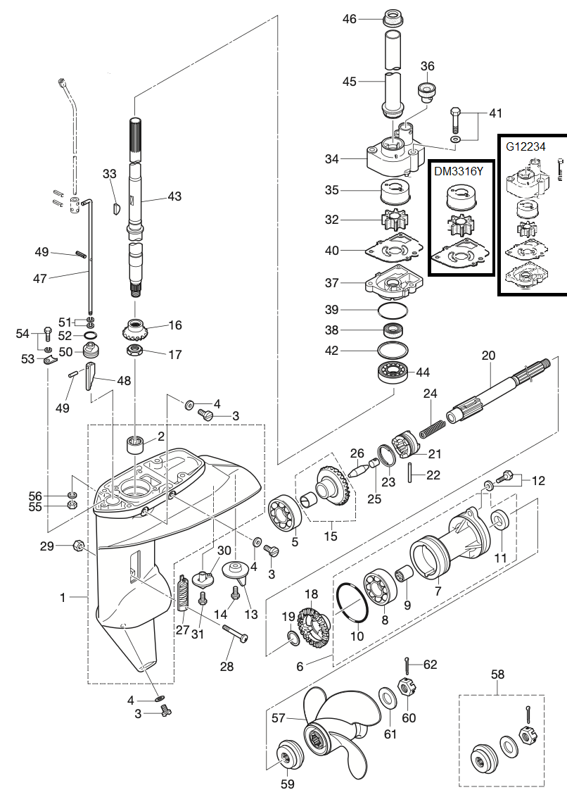
No. No. de Parte Descripción Código Derma
1 3V9Q60000-0 Gear Case Ass´y -
2 350-60211-0 Roller Bearing 16-24-20 DM4151
3 332-60005-2 Plug -
4 332-60006-0 Gasket 8.1-15-1 -
5 9601-0-6205 Ball Bearing 6205 DM4193
6 398Q60100-1 Propeller Shaft Housing Ass´y -
7 362Q60101-1 Propeller Shaft Housing -
8 9601-0-6205 Ball Bearing 6205 DM4193
9 362-60211- 0 Roller Bearing 17-24-20 DM4156
10 121-32071-0 O-Ring 2.4-59.6 -
11 346-65013-0 Oil Seal 17-30-9 DM2294
12 9101E3-5625 Bolt -
13 3V1-60217-0 Trim Tab -
14 9101E3-5620 Bolt -
15 350-64010-0 Bevel Gear Ass'y (Avante) -
16 350-64020-0 Bevel Gear B (Piñon) DM2197
17 346-64027-1 Nut -
18 362-64030-0 Bevel Gear C ( Reversa) -
19 350-64032-0 Washer 17.1-22-1.5 -
20 362-64211-2 Propeller Shaft -
21 362-64215-0 Clutch o sincronizador -
22 350-64218-0 Pin φ5-30 perno sincronizador -
23 350-64219-0 Snap candado sincronizador -
24 332-64221-0 Spring -
25 350-64222-1 Spring Retainer -
26 350-64223-1 Push Rod -
27 362-60206-1 Water Strainer -
28 921503-0430 Screw -
29 930403-0400 Nylon Nut 4-P0.7 -
30 369-60206-0 Water Strainer -
31 921803-0620 Screw -
32 334-65021-0 Water Pump Impeller DM3206
33 350-65022-0 Key G12234
34 350-65016-1 Pump Case (Upper) G12234
35 350-65011-1 Pump Case Liner DM3090
36 350-65014-0 Water Pipe Seal (Lower) G12234
37 350-65017-0 Pump Case (Lower) G12234
38 332-60223-0 Oil Seal 13.8-26-9.5 DM2243
39 336-62415-0 O-Ring 3.5-36 G12234
40 350-65025-0 Water Pump Guide Plate DM3190
41 9101F4-5652 Bolt -
42 346-64081-0 Shim 35-41.9-0.1 -
42 346-64082-0 Shim 35-41.9-0.15 -
42 346-64083-0 Shim 35-41.9-0.3 -
42 346-64084-0 Shim 35-41.9-0.5 -
43 350-64301-0 Drive Shaft (S) 15" DM5592
43 350-64302-0 Drive Shaft (L) 20" -
43 350-64303-0 Drive Shaft (Ul) 25" -
44 9601-0-6302 Ball Bearing 6302 DM4188
45 350-64322-0 Gird Pipe -
46 350-64326-0 Grommet -
47 398-66012-0 Cam Rod (S)
47 398-66013-0 Cam Rod (L) -
47 398-66014-0 Cam Rod (Ul) -
48 3C8-66011-0 Clutch Cam -
49 951407-0312 Spring Pin 3-12 -
50 398-66031-0 Cam Rod Bushing -
51 332-66021-0 O-Ring 2.4-5.8 -
52 336-62415-0 O-Ring 3.5-36 G12234
53 332-66033-0 Stopper -
54 910103-6512 Bolt -
55 930103-0800 Nut -
56 3P0-66233-0 Washer 8.1-16-1.5 -
57 3BAB64521-1 Propeller Ass'y (10") DMTA10
57 3BAB64524-1 Propeller Ass'y (11.5") DMTA11
58 3V9-87326-0 Propeller Hardware Kit -
59 362-64231-0 Thrust Holder -
60 346-64121-5 Propeller Nut DM2305Y
61 346-64124-5 Washer 12.5-32-2.5 -
62 951503-0322 Split Pin 3-22 -
WATER PUMP 1/2 KIT DM3316Y
DIAGRAMA TOHATSU 9.9- 15 HP TRANSMISION
- Marcas DERMA MARINE
- Código: DIAGRAMA tohatsu 15 hp transmision
- Disponibilidad: In Stock
-
$0,00MXN
- Sin impuestos: $0,00MXN

